We design sustainable heating systems.
We provide a design partnership, for installers and design consultancies. We support projects throughout the UK. Our portfolios include project awards, district heat solutions, over 150 successful GSHP, ASHP, WSHP, and multi-technology installations.
We provide a design partnership, for installers and design consultancies. We support projects throughout the UK. Our portfolios include project awards, district heat solutions, over 150 successful GSHP, ASHP, WSHP, and multi-technology installations.




"..an exceptional resource.." Tom Giersz. Director, Nicholls Boreholes
"..an exceptional resource.." Tom Giersz. Director, Nicholls Boreholes
Clients and partners
Clients





"..extremely thorough.." Charlie P. Head of Engineering, Cenergist
"..extremely thorough.." Charlie P. Head of Engineering, Cenergist


What we do
What we do
We provide design support from conception through to commissioning. That is, from initial heat calculation assessment, through to fully fledged system design.
We offer a friendly and personable service and have a comprehensive portfolio of lead design on 150+ successful projects.
We provide design support from conception through to commissioning. That is, from initial heat calculation assessment, through to fully fledged system design.
We offer a friendly and personable service and have a comprehensive portfolio of lead design on 150+ successful projects.
Services
Services



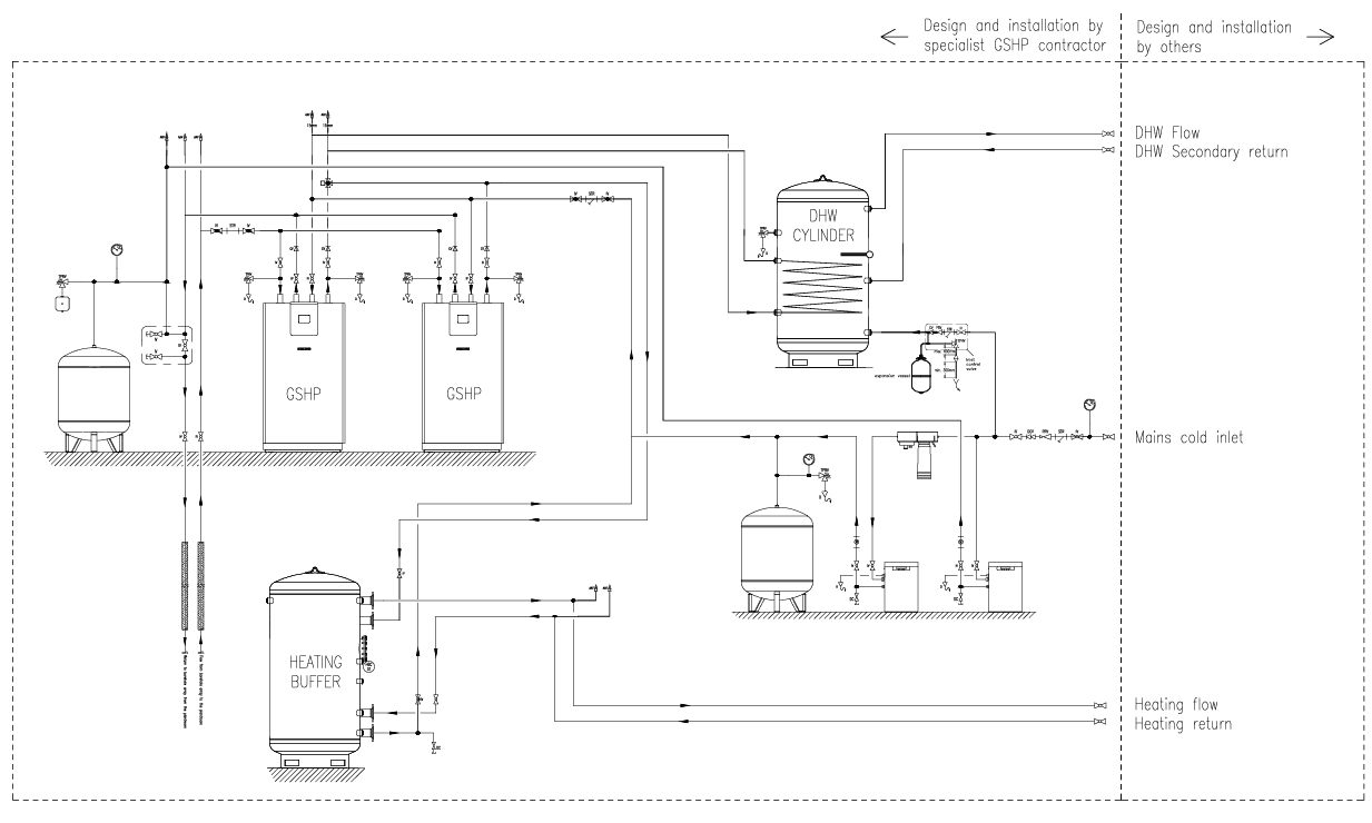
Hydraulic modelling and Simulation
Hydraulic modelling & Simulation
Hydraulic modelling, simulation, validation and optimisation. In partnership with Twelvetrees Digital Buildings ltd
HYSOPT simulation, validation and optimisation. We can create a digital twin of the existing system to determine optimisations and the energy saving impacts for your customers



Schematics
Conceptual & detailed schematics to suit the requirements of the projects, throughout the RIBA stages
Schematics: Conceptual & detailed schematics to suit the requirements of the projects.



2D CAD
2D plantroom layouts, and site layout plans
2D CAD: Plantroom layouts, and site layout plans



3D CAD
3D CAD for plantroom visualisation
3D CAD: For plantroom visualisation and mechanical design.
About us
About us

Skye Tansey, Founder and principle engineer
Skye Tansey has background as a mechanical engineer in Nuclear, Wind and Geothermal. He has designed more than 100 energy systems including award winning installations, and specialises in hydraulic de-carbonisation design.

Rahib Muradov, Partner and senior engineer
Rahib Muradov leads our building modelling and provides comprehensive HYSOPT output for project optimisation. With expertise in detailed design and 3D modelling, he plays a key role in ensuring precise, efficient project delivery.
Rahib Muradov has extensive heat pump system design experience. With expertise in detailed design and 3D modelling, he plays a key role in ensuring precise, efficient project delivery. He provides output that crucially, is easily understood by installers.
"Rahib and I have worked together for many years. We have have vast experience individually, although we are an example of a team being greater than the sum of it's parts" Skye Tansey, Founder


Skye Tansey, Founder & Principle Engineer
Skye Tansey has background as a mechanical engineer in Nuclear, Wind and Geothermal. He has designed more than 100 energy systems including award winning installations, and specialises in hydraulic de-carbonisation design.


Rahib Muradov, Partner & Senior Engineer
Rahib Muradov leads our building modelling and provides comprehensive HYSOPT output for project optimisation. With expertise in detailed design and 3D modelling, he plays a key role in ensuring precise, efficient project delivery.
About
Recent projects
Recent projects
See a selection of site locations from our recent work. Reach out to discuss any of the below in detail.
See a selection below, of site locations from recent projects. Reach out to discuss any of the below in detail.






FAQ
How does TANSEY ltd compare to typical Building Services company?
Normally a building services company will provide detailed design once they are provided with a rigid set of design parameters. On the other hand, we provide the optimal conceptual design, then build the optimal picture of the system with documentation outputs as required for the project. And, for final detailed hydraulic design, we either do this in house or via one of our trusted partners depending on the project.
What types of project do you undertake?
We undertake all commercial heating and cooling design projects. We can provide a client-side design management and advisory role, or we can provide specific outputs to bridge the gaps in your existing project.
What are the costs?
We cost on a project by project basis, becasue no project is the same. Get in touch to discuss your project by submitting an email into the form below or emailing directly to enquiries@tansey.co
Are you fully insured?
Yes, we have full PI design insurance.
How do we start working together?
Simply send us an email and we will normally phone you back within two working days to discuss your project.
What software do you use?
We primarily use AutoCAD and HYSOPT.
What services do you offer?
Depending on your requirements, we provide advice, high level design, specifications, and detailed design. We can provide HYSOPT hydraulic simulation also. In addition, wherre required, we provide project coordination, tender oversight, and access to a network of trusted contacts.
How long does a typical project take?
Project timelines depend on scope and complexity. Get in touch to find out what your project duration is likely to be.
Can I see examples of your previous work?
Absolutely! Visit our projects section to see a collection of recent projects, and get in touch to find out more.
Do you offer post-project support?
Yes, we provide ongoing support to ensure your project's success.
How does TANSEY ltd compare to typical Building Services company?
Normally a building services company will provide detailed design once they are provided with a rigid set of design parameters. On the other hand, we provide the optimal conceptual design, then build the optimal picture of the system with documentation outputs as required for the project. And, for final detailed hydraulic design, we either do this in house or via one of our trusted partners depending on the project.
What types of project do you undertake?
We undertake all commercial heating and cooling design projects. We can provide a client-side design management and advisory role, or we can provide specific outputs to bridge the gaps in your existing project.
What are the costs?
We cost on a project by project basis, becasue no project is the same. Get in touch to discuss your project by submitting an email into the form below or emailing directly to enquiries@tansey.co
Are you fully insured?
Yes, we have full PI design insurance.
How do we start working together?
Simply send us an email and we will normally phone you back within two working days to discuss your project.
What software do you use?
We primarily use AutoCAD and HYSOPT.
What services do you offer?
Depending on your requirements, we provide advice, high level design, specifications, and detailed design. We can provide HYSOPT hydraulic simulation also. In addition, wherre required, we provide project coordination, tender oversight, and access to a network of trusted contacts.
How long does a typical project take?
Project timelines depend on scope and complexity. Get in touch to find out what your project duration is likely to be.
Can I see examples of your previous work?
Absolutely! Visit our projects section to see a collection of recent projects, and get in touch to find out more.
Do you offer post-project support?
Yes, we provide ongoing support to ensure your project's success.
Contact
email: enquiries@tansey.co
© Tansey Limited 2024 | Company number 15028864
Registered office address: 167-169 Great Portland Street, London, England, W1W 5PF
FAQ
FAQ
How does TANSEY ltd compare to typical Building Services company?
Normally a building services company will provide detailed design once they are provided with a rigid set of design parameters. On the other hand, we provide the optimal conceptual design, then build the optimal picture of the system with documentation outputs as required for the project. And, for final detailed hydraulic design, we either do this in house or via one of our trusted partners depending on the project.
What types of project do you undertake?
We undertake all commercial heating and cooling design projects. We can provide a client-side design management and advisory role, or we can provide specific outputs to bridge the gaps in your existing project.
What are the costs?
We cost on a project by project basis, becasue no project is the same. Get in touch to discuss your project by submitting an email into the form below or emailing directly to enquiries@tansey.co
Are you fully insured?
Yes, we have full PI design insurance.
How do we start working together?
Simply send us an email and we will normally phone you back within two working days to discuss your project.
What software do you use?
We primarily use AutoCAD and HYSOPT.
What services do you offer?
Depending on your requirements, we provide advice, high level design, specifications, and detailed design. We can provide HYSOPT hydraulic simulation also. In addition, wherre required, we provide project coordination, tender oversight, and access to a network of trusted contacts.
How long does a typical project take?
Project timelines depend on scope and complexity. Get in touch to find out what your project duration is likely to be.
Can I see examples of your previous work?
Absolutely! Visit our projects section to see a collection of recent projects, and get in touch to find out more.
Do you offer post-project support?
Yes, we provide ongoing support to ensure your project's success.
Testimonials
Testimonials
Tom Giersz
Director, Nicholls Boreholes
“Skye has a talent for understanding complex engineering problems and creating effective solutions. An outstanding resource for challenging projects”
Neil Cheetham
Project Director, St Andrews Church, Woking
“Skye provided great input via the production of an Independent Expert Assessment Report to support our application for a capital grant. The report contained good detail, highlighting the key required developments and challenged some of our existing thinking.”
Alexandra Sanderson BEM
Project Manager, St Marys Ash Vale
“We really appreciate your professional eye and expert advice, the energy efficiency assessment you did for us has been a great help with our strategic planning for net zero, and setting priorities for this year. “
Charlie Pattison
Head of Engineering, Cenergist
“Skye is an extremely thorough engineer who examines a range of engineering possibilities to ensure system optimisation and the implementation of the most effective solution.”
Gemma Knight
Head of Income Generation
"Skye recently visited our office to conduct an energy efficiency audit. He took the time to thoroughly understand our needs and carefully explained the various elements of the audit. His attention to detail and clarity made the entire process both informative and easy to follow."
Julie Bell
Whithampstead community hub
“We found Skye Tansey from Tansey Energy Systems to be very professional and knowledgeable when he visited us to carry out an independent energy assessment. He spotted opportunities that had not been mentioned to us previously and delivered a meaningful report in a very tight timeframe. He’s also been very helpful and supportive with follow up questions. We highly recommend Skye.”
Wheathamsted Chapel Community Hub
Simon Jones
Buildings Officer, C of E
“Skye visited Christ Church Ore, a run down Victorian Church with a 1950’s Church Hall. He quickly understood the heating, lighting and insulation issues with our buildings and was able to compiled a comprehensive report of all the shortcomings with detailed analysis and costed remedial recommendations. This was part a Government VCSE Energy Audit and has enabled the church to apply for Capital Grant Funding to reduce our energy costs, lower our carbon footprint and maintain our front line community services in the very deprived seaside town of Hastings.”




